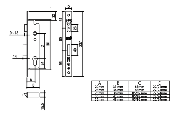
Ref. GNS 7791 Plumb lock for aluminum, stainless steel forehead with cylinder entry, easy reversing latch and sliding tongue.



Learn More